Views: 50 Author: Deyuan Marine Nora Publish Time: 2023-10-13 Origin: Site
10KN electric winch (accommodation ladder winch )description
1. A winch designed to lower, support and retract the gangway.
2. Winch for lifting the side ladder.
3, specially designed for lowering, maintaining, twisting accommodation ladder, with a rope
storage drum winch.
Parameters:
●Drum load:10KN
●Voltage: depend on your needs.380V/3PH/50HZ or 440V/3PH/60HZ

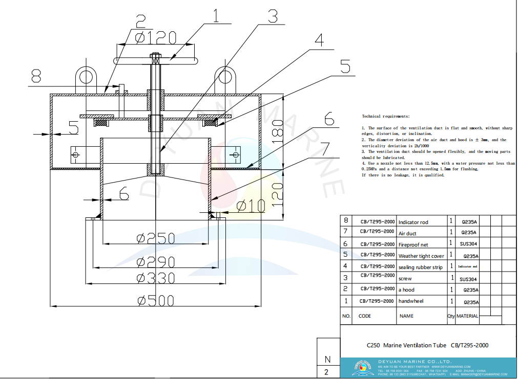
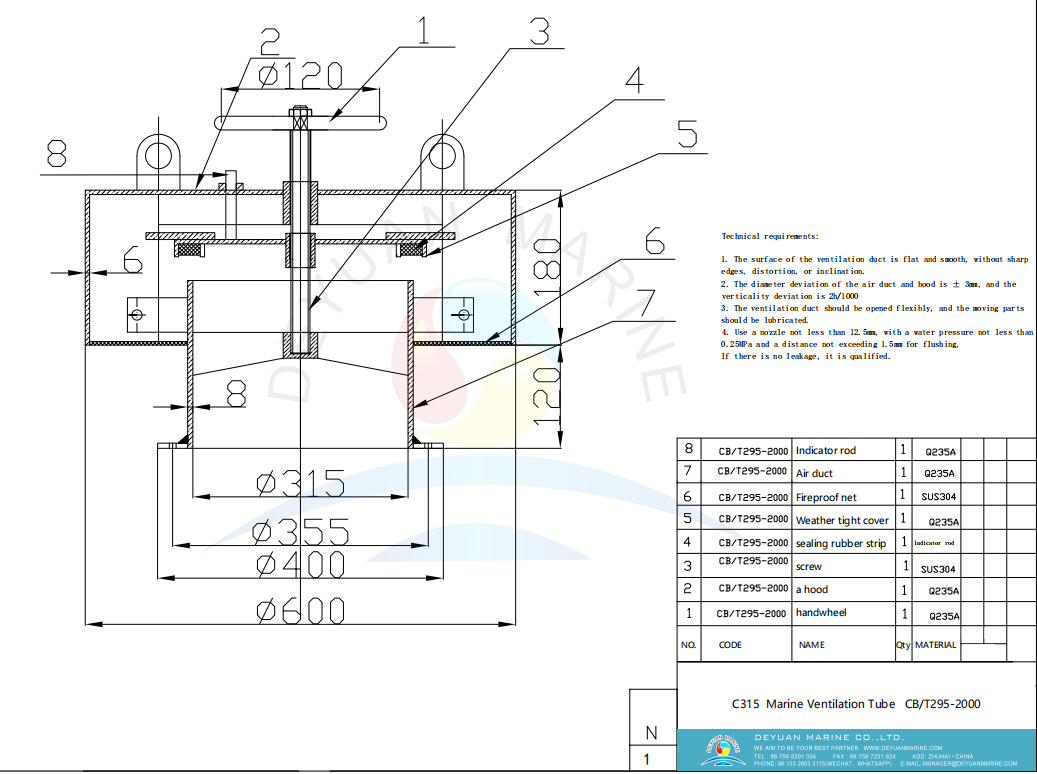
Mushroom ventilatos fan
A ventilator component arranged on a ventilator coaming to communicate with the atmosphere.
Parameters:
●Size:DN250
●Material: Carbon steel
●D1:500mm
●D2:120mm
●H:180mm
●H1:121mm
●Production accroding to our drawing

●Size:DN315
●Material: Carbon steel
●D1:600mm
●D2:120mm
●H:180mm
●H1:121mm
●Production accroding to our drawing
