Views: 144 Author: Ms.Wenky Publish Time: 2018-09-20 Origin: Site
 
 
Why Ship Needs To Install A Manhole Cover
As we all know ships are made up of many types of cabins of varying sizes, which have different purposes and roles, either to ensure the ship's sink resistance, or to load oil, water, or to load cargoes. In order to have easy access to these cabins, a manhole cover must be provided. The purpose of setting the manhole cover is for the construction and maintenance personnel to enter and exit. Once the operation completion personnel leave, the manhole cover should be closed.
What role does the manhole cover play in the operation of the ship? Here are some specific conclusions:
The manhole cover is a kind of outfitting equipment, which is installed on the manhole opening of the oil tank, empty space, etc. of the ship, and is mainly composed of a cover plate with very good sealing and some fixed accessories. The use of the manhole cover is also different, because it will be divided into several types. The positions of the manhole covers of various models are different. It is necessary to decide which type to use according to the design of the ship and the classification society. In addition, the standard size of the manhole cover is 420*380, which can provide one person to enter and exit from here. There are also some large manhole covers that can be used by the ambulance man to transport the wounded person from here when the accident occurs. The use of the manhole cover is related to the normal navigation of the ship and the efficiency of the rescue, and even to the life safety of the ship's crews. It is particularly important to install the right manhole covers.
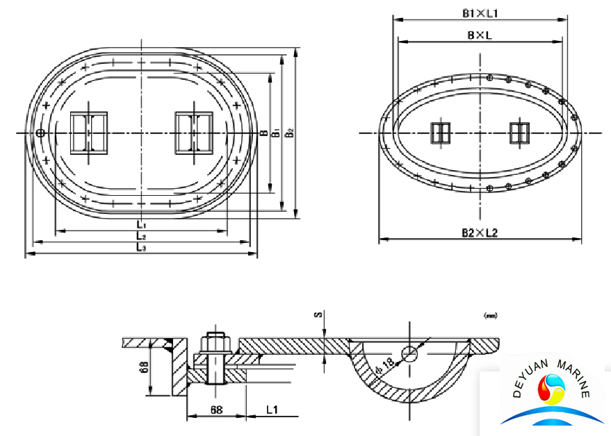
Deyuan Marine manhole cover mainly consists of the following parts: seat, cover, handle, rubber gasket, washer, stud and nut. We mainly provide the following six types manhole cover, steel and aluminium material are available, all class socienty certificate such as CCS, NKK, BV, ABS, GL, RINA etc also available:
1.Long circular manhole cover with coaming

2.Long circular/oval flat type manhole cover

3.Long circular/oval sunk type manhole cover with shield

4.Long circular/oval sunk type manhole cover without shield


6.Ballast liquid tank manhole cover with check hole

Any manhole cover or other outfitting equipment needed, kindly contact with our sales team!