| Availability: | |
|---|---|
Product Description
JZ2-H Series of Marine Crane With Three-Phase Asynchronous Motor
Product introduction:
JZ2-H series marine crane with three- phase asynchronous motor, for the squirrel cage structure.Apply to the ship for short-term and intermittent operation of the electric drive, such as windlass,Winch machines and winches and other deck machinery.
Ambient Conditions:
*Altitude: 0m
*The maximum temperature allowed in the environment: +45℃
*Relative humidity:≤95%
*Have the impact of shock and vibration during normal operation of the ship
*Mold, salt spray and condensation
*Rolling:土22.5°
*Heeling:15°
*Tilt:土22.5°
Technical Data:
| Speed (r/min) | Mode of operation | Brake | Weight(kg) | |||
| 380V 50Hz | S3% | S2 min | Braking force distance (N.m) | Suction voltage V Current absorbed (A) | Maintain voltage (V) Maintain current (A) | |
| 1400 | 25 | 一 | 24.8 | 128/1.19 | 128/1.19 | 66 |
| 1400 | 24.8 | 128/1.19 | 128/1.19 | 66 | ||
| 1400 | 24.8 | 128/1.19 | 128/1.19 | 74 | ||
| 1400 | 54.8 | 128/1.78 | 128/1.78 | 100 | ||
| 900 | 54.8 | 128/1.78 | 128/1.78 | 100 | ||
| 900 | 54.8 | 128/1.78 | 128/1.78 | 105 | ||
| 900 | 119.6 | 128/2.05 | 128/2.05 | 150 | ||
| 900 | 119.6 | 128/2.05 | 128/2.05 | 180 | ||
| 900 | 232.5 | 110/9 | 30/2.45 | 365 | ||
| 695 | 232.5 | 110/9 | 30/2.45 | 340 | ||
| 1350/410 | 一 | 30/10 | 40 | 110/1.6 | 30/0.85 | 112 |
| 1350/410 | 40 | 110/1.6 | 30/0.85 | 120 | ||
| 1350/390 | 119.6 | 110/4.5 | 30/1.23 | 185 | ||
| 1370/310 | 119.6 | 110/4.5 | 30/1.23 | 210 | ||
| 1370/310 | 30/5 | 119.6 | 110/4.5 | 30/1.23 | 210 | |
| 1370/320 | 232.5 | 110/9 | 30/2.45 | 365 | ||
| 1370/320 | 10/30/05 | 232.5 | 110/9 | 30/2.45 | 415 | |
| 1400/665/300 | 232.5 | 110/9 | 30/2.45 | 365 | ||
| 1400/665/300 | 232.5 | 110/9 | 30/2.45 | 415 | ||
| 1400/665/300 | 510.6 | 110/9 | 30/2.46 | 505 | ||
| 1400/665/300 | 510.6 | 110/9 | 30/2.46 | 575 | ||
| 1390/660/300 | 676 | 110/10.47 | 30/2.86 | 850 | ||
| 1390/660/300 | 889 | 110/18.25 | 30/4.98 | 1205 | ||
| 1390/660/300 | 1350 | 110/18.25 | 30/4.98 | 1485 | ||
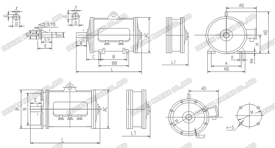
Mounting and overall dimensions:

| FrameNo | Model No. | Installation dimension tolerance | Overall dimensions | ||||||||||||||||||||||||
| A | B | C | D | E | F | G | H | K | M | N | P | S | n | Axial depth form | D1 | E1 | d1 | HA | AB | AC | AD | BB | HD | L | L1 | ||
| 1# | JZ₂-11、12-4-H | 190 | 140 | 85 | 28 | 60 | 8 | 24 | 112 | 14 | 265 | 230 | 300 | 15 | 4 | Cylindrical | 16 | 220 | 250 | 190 | 180 | 275 | 410 | 485 | |||
| JZ₂-13-4-H | 170 | 210 | 440 | 515 | |||||||||||||||||||||||
| 2# | JZ₂-21-4、6-H | 220 | 150 | 90 | 32 | 80 | 10 | 27 | 125 | 14 | 265 | 230 | 300 | 20 | 260 | 280 | 195 | 190 | 295 | 410 | 530 | ||||||
| JZ₂-22-6、4/12-H | 200 | 240 | 460 | 580 | |||||||||||||||||||||||
| JZ₂-23-4/12-H | 270 | 310 | 530 | 650 | |||||||||||||||||||||||
| 3# | JZ₂-31-6-H | 250 | 200 | 100 | 42 | 110 | 12 | 37 | 150 | 18 | 300 | 250 | 350 | 19 | 25 | 300 | 320 | 235 | 250 | 345 | 560 | 650 | |||||
| JZ₂-32-6、4/12-H | 280 | 330 | 640 | 730 | |||||||||||||||||||||||
| JZ₂-33-4/12、4/16-H | 380 | 430 | 740 | 830 | |||||||||||||||||||||||
| 4# | JZ2-41-6、8、4/16、4/8/16-H | 320 | 305 | 120 | 50 | 110 | 16 | 43.5 | 200 | 26 | 400 | 350 | 450 | 8 | 380 | 420 | 295 | 375 | 470 | 700 | 820 | ||||||
| JZ₂42-4/16、4/8/16-H | 380 | 450 | 770 | 895 | |||||||||||||||||||||||
| 5# | JZ₂-51-4/8/16-H | 360 | 360 | 140 | 60 | 140 | 18 | 52.9 | 225 | 500 | 450 | 550 | 430 | 450 | 325 | 460 | 510 | 840 | 990 | ||||||||
| JZ₂-52-4/8/16-H | 460 | 560 | 940 | 1090 | |||||||||||||||||||||||
| 6# | JZ2-61-4/8/16-H | 420 | 440 | 160 | 70 | 140 | 20 | 26 | 250 | 32 | 500 | 450 | 550 | Conical | M48×2 | 105 | 90 | 30 | 510 | 550 | 380 | 550 | 575 | 950 | 1130 | ||
| 7# | JZ₂-71-4/8/16-H | 480 | 510 | 190 | 90 | 170 | 25 | 35 | 280 | 600 | 550 | 660 | 24 | M60×3 | 130 | 110 | 560 | 620 | 410 | 620 | 600 | 1020 | 1255 | ||||
| JZ₂-72-4/8/16-H | 660 | 770 | 1090 | 1535 | |||||||||||||||||||||||
If any interest pls do not hesitate to contact us.