| Availability: | |
|---|---|
Product Description
HD05FB-II Watertight Fire Call Point For Fire Alarm System
Product Introduction:
The HD05FB,II Watertight Fire Call Point is a robust and reliable marine-grade manual fire alarm activation device. Engineered for demanding maritime environments, it features a certified watertight and corrosion-resistant enclosure that provides superior protection against salt spray, humidity, and harsh weather conditions.
Designed for easy and immediate operation in emergencies, it is typically activated by breaking the protective glass cover or pressing the sealed button, instantly sending a signal to the main fire alarm control panel. Its high-visibility red housing and clear markings ensure quick identification and intuitive use. Complying with key maritime safety standards, including SOLAS and classification society requirements, the HD05FB,II is suitable for installation on external decks, in machinery spaces, and other areas where exposure to water is a concern. It offers dependable performance and enhances overall onboard safety through reliable emergency signaling.
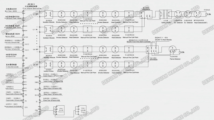
Drawing:

Technical Data:
| Main Power | AC220V±10% |
| Spare Power | DC24V(+30%~-25%) |
| Output current and voltage | 1A/24V |
| Tactic Power Consumption | 220V 100mA |
| Environment Temperature | -10℃~+55℃ |
| Environment Humidity | 95%RH |
| With measures against mildew.salt fog and humidity. With measures against vibration,impact and incline. | |
Fire Alarm System Addressable Type:

Fire Controller System Connection Addressable Type:
