| Availability: | |
|---|---|
Product Description
SDS-RP Wall Type Repeater
Product Introduction:
Our Marine Wall Type Repeater is a vital and robust addition to any vessel's information network, designed to deliver critical, real-time data from primary systems to key secondary locations. This wall-mounted unit provides essential redundancy and enhanced operational flexibility by repeating crucial navigation, propulsion, and monitoring parameters wherever constant oversight is required.
Engineered for durability in the marine environment, the repeater features a rugged, corrosion-resistant metal casing with a high-grade protective finish. Its front panel is protected by a durable, anti-glare glass or polycarbonate screen, achieving at least an IP66 rating for complete protection against dust and powerful water jets. The display utilizes high-brightness LED or LCD technology with automatic or manual dimming, ensuring perfect readability in the varying light conditions of a ship's interior, from the engine control room to the captain's cabin.
The unit offers versatile data presentation, capable of displaying digital readouts, analog-style indicators, or a combination for intuitive interpretation. It seamlessly interfaces with all major onboard systems via standard marine protocols (such as NMEA 0183/2000, Modbus, or CAN Bus), repeating data from sources like the main gyrocompass, echo sounder, log, rudder angle indicator, engine monitoring system, and dynamic positioning (DP) console.
The primary advantages are clear: it significantly improves situational awareness and safety by placing vital information at multiple strategic points, aiding in efficient watchkeeping and decision-making. Its easy, surface-mounted installation makes it an ideal solution for retrofitting existing vessels without major structural modifications. For shipowners and operators demanding reliable data redundancy and enhanced crew awareness, our Marine Wall Type Repeater is an indispensable and dependable asset.
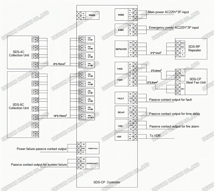
Drawing:

Technical Data:
| Main power、Emergency power supply | AC220V±10%*3P,50/60HZ |
| Built-in battery | DC24V,4.5AH |
| Controller power consumption | Controller monitoring state:≤5W;alarm state:≤10W |
| Motor power consumption | 550W |
| Inspection cycle | ≤10 seconds(single point continuous patrolwhen the situation is abnormal) |
| Signal transmission distance between the repeater | ≤1500 meters |
| Working ambient temperature | 0℃~55℃ |
| Relative humidity | ≤95% |
Sample Extraction Smoke Detection System:

Sample Extraction Smoke Detection System Connection Diagram:
