| Availability: | |
|---|---|
Product Description
Drag Head For Trailing Suction Hopper Dredger
Product Introduction:
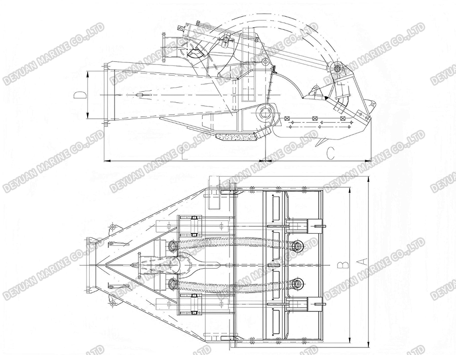
Dredging drag head is a steel structure that is connected to the dredger by a suction pipe. Supported by the gantries and by using hydraulic winches the dredge drag head and suction pipe are let down onto the sea bottom in order to suck a mixture of water and sand.
Drag head including fix body and visor, the fixed body is connected with the suction pipe, and the visor is connected with the fixed body by rotating hinge points. The visor can be rotated by hinge points relative to the fixed body at an angle of 0-50°. The visor is driven by rod or hydraulic cylinder, to ensure that the visor stay in contact with the sea bed whatever the suction pipes in different angles, different digging deep.
To cut the sea bed, the dredge drag head is equipped with replaceable teeth and water jet nozzles. The nozzles are placed at the front of the dredge drag head and used to cut the sand at the sea bed vertically, while the replaceable teeth are placed at the back to cut horizontally.
The drag head contributes to lower fuel consumption by having a low drag resistance, high production by mixing highest possible ratio of slurry, sand, clay and rocks with water efficiently.
Drawing:

Key features include:
*Versatile Type Configurations for Any Soil Condition: Our drag heads are available in several standard types to match specific project requirements. Universal drag heads offer a balance of excavation capability and hydraulic efficiency for varying soil types. California-type drag heads are specifically designed with robust ripping teeth and knives to penetrate compacted and firmly packed soils . Turbulence visor drag heads excel in soft, free-flowing soils by optimizing mixing and enhancing slurry concentration . For specialized applications, innovative designs like the Venturi draghead reduce intake resistance for greater suction efficiency , while the Mighty Dragon draghead is optimized to handle difficult materials like clay without clogging .
*Modular Visor System for Maximum Flexibility: Our drag heads feature a modular design where the main body can be fitted with different types of visors. This allows the same drag head unit to be easily converted for different soil conditions by simply changing the visor, eliminating the need for an entirely new drag head . The visor position can be self-adjusted by gravity or actively controlled, enabling optimized contact with the seabed and precise regulation of the water flap opening to control the water-to-soil ratio .
*Advanced Excavation Technology: Soil is loosened through a combination of robust, wear-resistant cutting teeth strategically arranged across the visor width and high-pressure jet water systems . Teeth are available in various configurations, including self-sharpening pick points for rock and hard materials . Jet water nozzles, located in replaceable steel beams, fluidize the ground to enhance intake and can be optimized for specific soil types based on advanced CFD analysis .
*Superior Wear Resistance and Durability: Constructed from high-strength marine steel, all critical wear areas—including the visor, base, and jet bars—are protected with easily replaceable wear parts made from high-chrome iron or bimetallic alloys . This robust protection significantly extends operational life, reduces maintenance downtime, and lowers overall cost per cubic meter .
*Innovative Control and Automation: Modern drag heads can be integrated with advanced control systems. Fully automated solutions using Model Predictive Control optimize the excavation process by automatically adjusting the visor position based on real-time conditions, maximizing production while minimizing fuel consumption and trail force . Options include active hydraulically controlled visors for precise adjustment or innovative passive systems where the visor is controlled via force in the hoisting wire .
*Environmental Considerations: Advanced drag head designs incorporate features to minimize environmental impact. For projects with overflow restrictions, recirculation systems can be integrated, leading low-concentration water from the hopper back to the draghead to reduce ambient water intake and postpone overflow, thereby increasing payload without increasing turbidity .
By combining robust mechanical design, advanced hydraulic principles, and intelligent control technology, our Drag Heads ensure that your Trailing Suction Hopper Dredger achieves maximum excavation efficiency, superior slurry density, and unmatched reliability in any dredging environment.

