EnglishEnglish

News

You are here: Home » Products » Marine Anode » Aluminum Anodes » Aluminum Anodes for Offshore Engineering

Product

loading

Share to:
facebook sharing button
twitter sharing button
line sharing button
wechat sharing button
linkedin sharing button
pinterest sharing button
sharethis sharing button

Aluminum Anodes for Offshore Engineering

  • Deyuan Marine

  • Material: Aluminum Alloy (Al-Zn-In)
  • Shape: As per your request
  • Weight&Size: custom-made
  • Certificate: CCS,BV,ABS etc
  • Packing : on pallet

Product Description

Aluminum Anodes for Offshore Engineering
Normally aluminum anodes for offshore engineering is big and heavy,we usually choose  to ¾ to 8"seamless pipe.aluminum anodes for offshore engineering were usually installed during platform's construction,it required to use long lifespan,heavy weight anodes.
To save cost and properly protect the CP system,our engineer can design and suggest the most suitable anodes for your offshore engeering facilities,all our anodes's quality inspection standard surpass the lowest NACE standard,if you are interested,pls contact us for further discussion.

Aluminum Anodes for offshore engineering
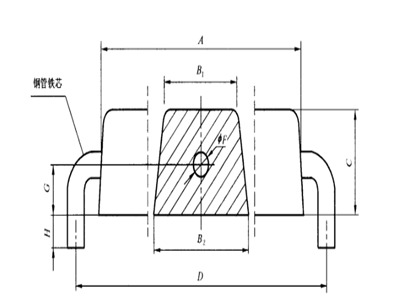
model size/mm Dimension of steel core Net weight
(kg) 
weight/ kg
A×(B1+B2)×C D F H G
AI-1 2300×(220+240)×230 2500 60 300 110 294 310
AI-2 1600×(200+210)×220 1800 60 300 90 181 190
AI-3 1500×(170+200)×180 1700 50 300 80 122 130
AI-4 900×(150+170)×160 1100 40 300 70 55 58

Aluminum Anodes for Harbor Structures
model size/mm Size of screw bar core size of flat bar core Net weight
(kg) 
weight/ kg
A×(B1+B2)×C D F G D E F G
AI-5 1500×(148+178)×170 1800 25 65 1800 50 8 65 114 120
AI-6 850×(180+220)×180 1100 25 70 1100 60 8 70 80 85
AI-7 800×(200+280)×150 1050 25 55 1050 60 8 55 76 80
AI-8 700×(160+220)×180 950 22 70 950 60 8 70 68.5 72.5
AI-9 1250×(115+135)×130 1500 18 45 1500 40 8 45 52 56
AI-10 1000×(115+135)×130 1250 18 45 1250 40 8 45 42.6 46
AI-11 750×(115+135)×130 1000 16 45 1000 40 6 45 33 35
AI-12 500×(115+135)×130 750 16 45 750 40 4 45 22 23
Drawing for reference:
a. Anodes for offshore engineering 
anodes for offshore engineering

b. Anodes for Harbor Structures
anodes for Harbor Structures
Previous: 
Next: 
Product Inquiry

Products

Call Us
+86-756-8301004