| Availability: | |
|---|---|
Product Description
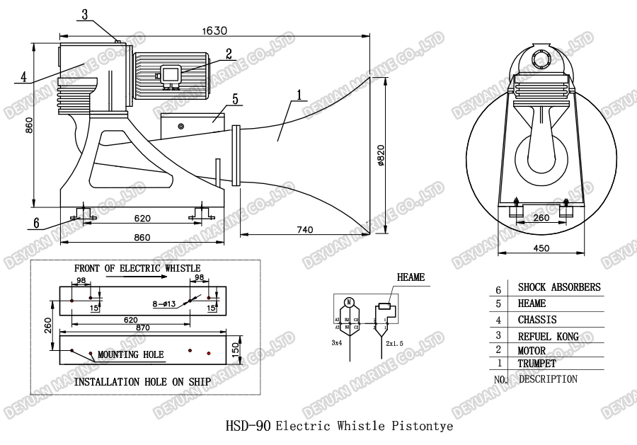
Electric Whistle Piston Type HSD-90
Product Introduction
The conventional whistles for ship need an air compressor and a storage tank, so that the air will be transmitted to the whistle via a pipe. In this way, troubles are created in installation and operation. Whats more,quite a volume of air is always required in the tank,otherwise the sound of whistle will be unstable and the tone will be unharmonious. For example: We had produced the air whistle for fogging navigationin the past. Its air consumption was (8-10)×10-3m3/S,requiring the air volume stored in tank not less than1.7×10-1m3.During the approval test, the air pressure was 11Mpa. 10 minutes later, the air was consumed out.
Such disadvantages had affected the application of air whistle.Thus the electric piston had been devel oped and widely used international since 1980s. Its general feature is that the air storage tank and pipe are integrated in the whistle.Compared to the conventional whistle,the air tank and pipe are not needed, resulting in the simple installation and operation. The cost is reduced. As long as a distributor for power supply is provided, the whistle can start work.
The Electric Piston Whistle type HSD produced by our factory is reliable with good performance. It is equipped with a phase sequencer combined by a AC Solid State Relay with non-fire contactor and water, explosion & leakage proof,also the sound & light signal control in type WDK-2 for alarm & abandon ship,in order to meet the Rule35,36 of COLREG 1972 and SOLAS.All signals can be automatic,manual and remote control. Such equipment provides the electric piston whistle type HSD better functions, ensuring the navigation more safety, fully meeting the requirements of international vessel whistles.National patent has been applied for the product.
Drawing:

Technical Data:
| Type | Data of motor | Main data of whistle | Weight | Dimensian | ||||||
| Work voltage | Frequency of pone supply | Rated power | Temp load rate | 1/3 otave band level at 1meter | Center frequency | Length of vessel | Audibility Range | L×W×H | ||
| V | H | KW | % | dB | H | m | mile | kg | mm | |
| HSD-161 | 380/440 | 50/60 | 4 | 10 | ≥138 | 160 | 70≤L≤ 200 | 1.5 | 110 | 860×500× 656 |
| HSD-90 | 380/440 | 50/60 | 7.5 | 10 | ≥143 | 90 | ≥200 | 2 | 240 | 1680×820×940 |
Pls contact us for more air horn information or installation design solutions.