| Availability: | |
|---|---|
Product Description
CL-T Single Engine Telegraph Transmitter for Engine Telegraph System
Product Introduction:
The CL-T Single Engine Telegraph Transmitter is a standard-grade bridge command unit engineered for reliable propulsion control in single-engine vessels and auxiliary systems. Designed for straightforward functionality, it serves as the primary interface for transmitting clear speed and directional orders from the navigation bridge to the engine control room.
This robust transmitter features a single, ergonomic command handle that rotates through standardized positions ("Full Ahead" to "Full Astern") with distinct tactile feedback. Its high-visibility dial and indicator provide immediate visual confirmation of the sent order. Upon acknowledgment from the engine room receiver, a synchronized visual and audible confirmation alerts the bridge officer, ensuring fail-safe communication.
Built with corrosion-resistant materials and sealed components, the CL-T model withstands harsh marine environments. It is designed for easy installation and maintenance, offering dependable performance essential for routine maneuvers and safety-critical operations, meeting fundamental maritime compliance requirements for vessel telegraph systems.
Drawing:

Technical Data:
| Power Supply | AC220V±10%,DC24V(+30%~-25%) |
| Environment Temperatur | -10~50℃ |
| Relative Humidity | <RH95% |
| Contact Capacity | AC250V/1A or DC30V/3A |
| Alarm Output | Passive Contact |
Engine Telegraph System 1:

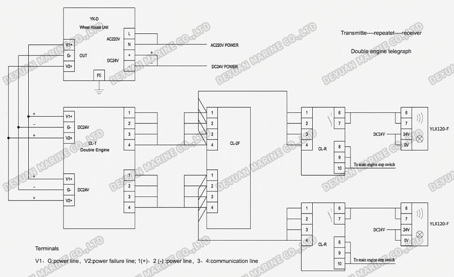
Engine Telegraph System Connection Diagram 1:

Engine Telegraph System 2:

Engine Telegraph System Connection Diagram 2:
